
KAIZEN cam kết cung cấp cho Quý khách hàng những dịch vụ trọn gói với chất lượng tốt nhất, giá thành cạnh tranh và đặc biệt là chế độ bảo hành, bảo trì chuyên nghiệp. Sau khi bàn giao hệ thống cho Chủ đầu tư vận hành và sử dụng, Chúng tôi luôn có đội hỗ trợ kỹ thuật và tư vấn cho Chủ đầu tư bất cứ lúc nào có nhu cầu.
Với đội ngũ nhân viên nhiều kinh nghiệm trong thiết kế, xây dựng hệ thống xử lý nước thải tại các dự án lớn. KAIZEN cùng đồng hành với Quý khách hàng từ giai đoạn đầu của Dự án cho đến khi hoàn thành. Chúng tôi cam kết chính sách hậu mãi tốt nhất tới Khách hàng. Các dịch vụ do KAIZEN thực hiện bao gồm:
1. Tư vấn lập dự án đầu tư - Xin phê duyệt dự án đầu tư.
2. Tư vấn thiết kế xây dựng và công nghệ.
3. Thi công xây lắp công trình.
4. Chuyển giao công nghệ.
5. Vận hành - Bảo trì.
6. Sửa chữa - Cải tạo theo yêu cầu.
I. DỰ ÁN CHÚNG TÔI
Tư vấn thi công hệ thống xử lý nước thải tại dự án công ty RI JIE.
.png)
Vị trí dự án

Hình ảnh xây dựng
.png)
Mặt bằng bố trí hệ thống xử lý nước thải
.png)
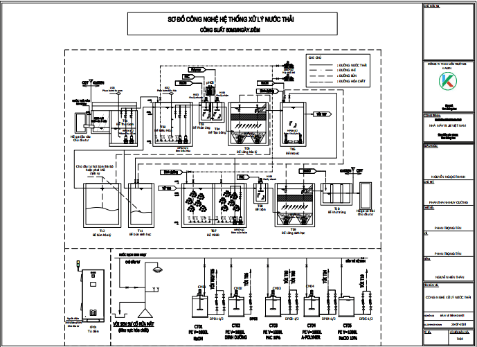
Sơ đồ công nghệ hệ thống xử lý nước thải
Anh/Chị hãy liên hệ tới Công ty TNHH Môi Trường Kaizen để được tư vấn hướng dẫn chi tiết
Di Động: 0985 879 895 (Mr.Thanh) 0987 993 798 (Mr. Thân)
Emai: cskh@ekaizen.com.vn